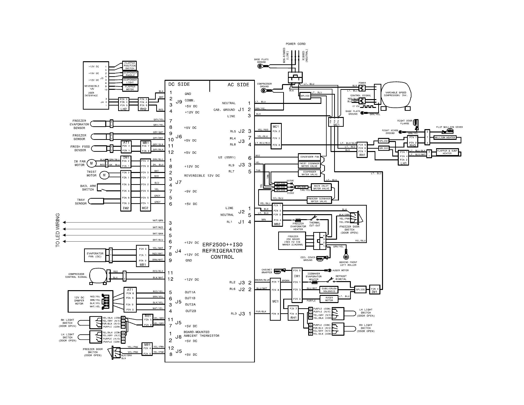
Simple Refrigerator 80 U2019s Wiring Diagram


HTTP://MYDIAGRAM.ONLINE
Revision 1.4 (07/2015)
© 2015 HTTP://MYDIAGRAM.ONLINE. All Rights Reserved.























































































Download Full Diagram Via this App!!!!

English product guide

Title : Simple Refrigerator 80 U2019s Wiring Diagram
Category : Wiring Diagram
Format : PDF

Get Diagram Now!

DOWNLOAD NOW