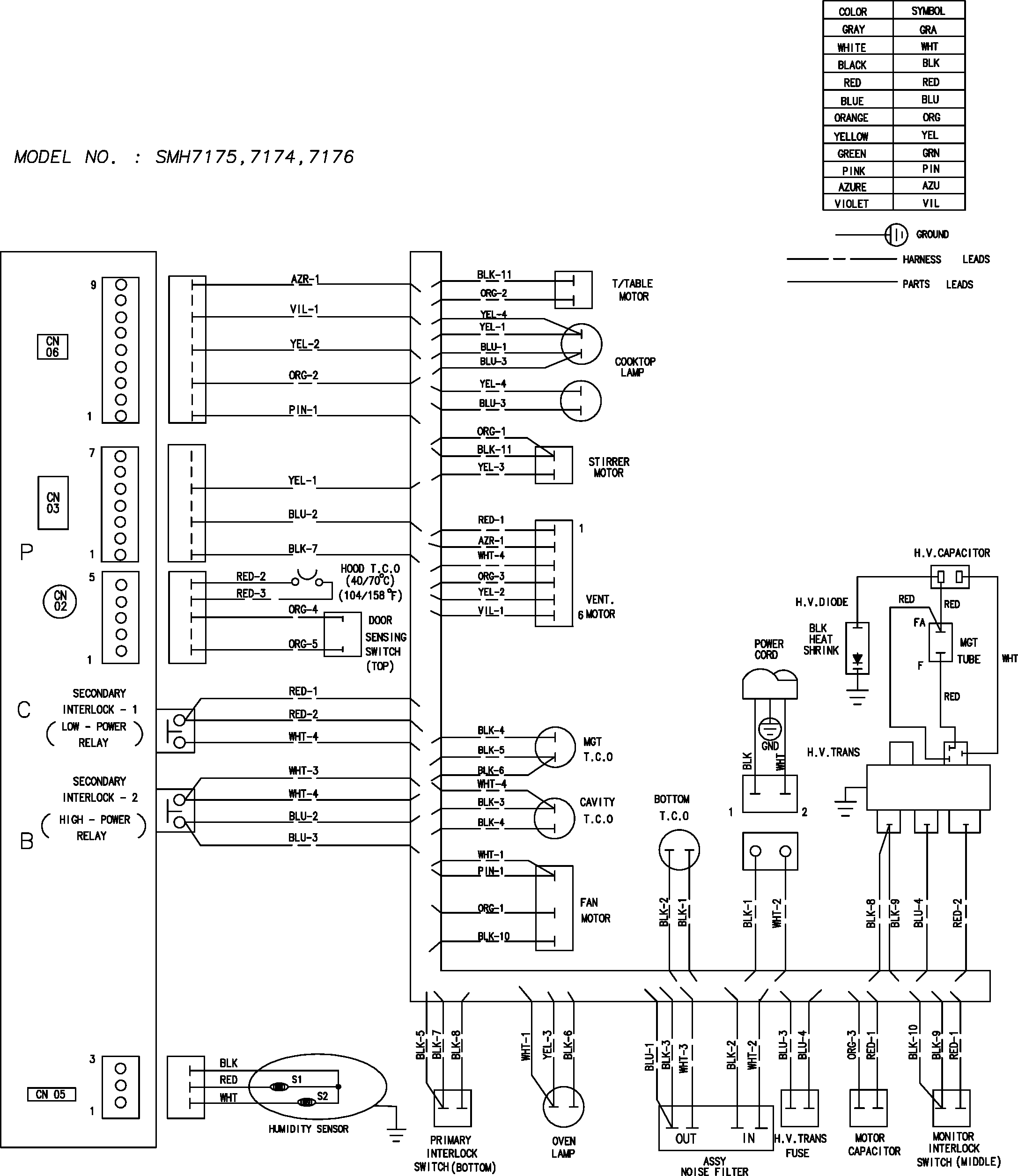
Samsung Samsung Microwave Oven Parts Wiring Diagram


HTTP://MYDIAGRAM.ONLINE
Revision 3.1 (09/2010)
© 2010 HTTP://MYDIAGRAM.ONLINE. All Rights Reserved.

















































































































Download Full Diagram Via this App!!!!

English product guide

Title : Samsung Samsung Microwave Oven Parts Wiring Diagram
Category : Wiring Diagram
Format : PDF

Get Diagram Now!

DOWNLOAD NOW