cub-cadet-1862-for-sale-wiring-diagram.pdf
100%

Cub Cadet 1862 For Sale Wiring Diagram


HTTP://MYDIAGRAM.ONLINE
Revision 1.7 (12/2026)
© 2026 HTTP://MYDIAGRAM.ONLINE. All Rights Reserved.

TABLE OF CONTENTS

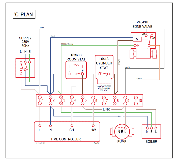
Cover1
Table of Contents2
Introduction & Scope3
Safety and Handling4
Symbols & Abbreviations5
Wire Colors & Gauges6
Power Distribution Overview7
Grounding Strategy8
Connector Index & Pinout9
Sensor Inputs10
Actuator Outputs11
Control Unit / Module12
Communication Bus13
Protection: Fuse & Relay14
Test Points & References15
Measurement Procedures16
Troubleshooting Guide17
Common Fault Patterns18
Maintenance & Best Practices19
Appendix & References20
Deep Dive #1 - Signal Integrity & EMC21
Deep Dive #2 - Signal Integrity & EMC22
Deep Dive #3 - Signal Integrity & EMC23
Deep Dive #4 - Signal Integrity & EMC24
Deep Dive #5 - Signal Integrity & EMC25
Deep Dive #6 - Signal Integrity & EMC26
Harness Layout Variant #127
Harness Layout Variant #228
Harness Layout Variant #329
Harness Layout Variant #430
Diagnostic Flowchart #131
Diagnostic Flowchart #232
Diagnostic Flowchart #333
Diagnostic Flowchart #434
Case Study #1 - Real-World Failure35
Case Study #2 - Real-World Failure36
Case Study #3 - Real-World Failure37
Case Study #4 - Real-World Failure38
Case Study #5 - Real-World Failure39
Case Study #6 - Real-World Failure40
Hands-On Lab #1 - Measurement Practice41
Hands-On Lab #2 - Measurement Practice42
Hands-On Lab #3 - Measurement Practice43
Hands-On Lab #4 - Measurement Practice44
Hands-On Lab #5 - Measurement Practice45
Hands-On Lab #6 - Measurement Practice46
Checklist & Form #1 - Quality Verification47
Checklist & Form #2 - Quality Verification48
Checklist & Form #3 - Quality Verification49
Checklist & Form #4 - Quality Verification50
Introduction & Scope Page 3

Protective electrical hardware are the overlooked champions of every wiring system. They act as watchful shields, standing between power flow and the devices that depend on it. Without them, even a brief overloadsuch as a accidental connection or current surgecould ignite serious hazards or cause fire hazards. This guide explores how these components work, their importance, and how technicians use them to ensure reliability and safety.

At the core of any protective strategy lies one simple goal: to interrupt current flow when it exceeds safe limits. Every wire, connector, and device in a circuit is designed to handle a specific current rating. When that limit is exceeded, the result is heat buildupsometimes enough to weaken insulation layers or cause combustion. Protection devices act as self-acting interrupters that open the circuit before damage occurs. They are not just accessories; they are fundamental safety mechanisms that define the reliability of every electrical installation.

Fuses are the simplest and most widely used protection elements. They contain a thin metal filament that burns open when current exceeds a predetermined value. Once blown, the fuse must be replaced, which provides a clear visual indication that a fault has occurred. The strength of fuses lies in their simplicity and fast reactionthey react almost instantly to fault conditions. However, their one-time operation makes them more suitable for applications where faults are rare, such as automotive wiring or household devices.

In contrast, automatic breakers perform the same protective function but can be reset and reused. Inside a breaker, a thermal mechanism or solenoid trigger responds to excess current, triggering a release lever that disconnects the circuit. Once the fault is cleared, the breaker can be reset manually or remotely depending on design. This makes breakers ideal for commercial systems where continuous operation is essential. Breakers also come in various typesmagnetic, electronic, and mixed-modeeach tuned for different fault response characteristics.

Another critical device in modern systems is the earth-leakage breaker. These units detect the balance between current flowing in the live and neutral conductors. If even a small difference is detected, indicating current leakage to ground, the device trips instantlyoften in millisecondsto stop electrocution hazards. This life-saving technology is mandatory in moist environments such as kitchens and outdoor panels.

Transient voltage suppressors defend circuits from transient voltage spikes caused by power grid surges. They work by absorbing spikes and diverting it safely to ground before it reaches sensitive equipment. Surge protective devices (SPDs) are graded by discharge capability and response time. When properly installed, they act as the primary barrier for electronic systems, particularly in automation panels and industrial control systems.

While each device serves a specific role, true protection comes from layering them effectively. For instance, a power distribution panel might use fuses for branch circuits and lightning arrestors for transient control. This layered defense ensures that no single fault can propagate through the entire network. Engineers refer to this as selective coordination, where each device trips in a controlled order, isolating only the faulty part of the circuit.

Maintenance and inspection play equally vital roles. Over time, circuit protectors can wear outfuse clips corrode, coils weaken, and surge modules deteriorate after repeated surges. Regular testing with insulation resistance meters and thermal imaging cameras helps detect weak points before they cause downtime. Professionals also document event logs, as repeated faults often indicate systemic wiring problems rather than random failures.

In advanced installations, protection is no longer purely mechanical. Solid-state protection systems uses MOSFETs, IGBTs, or sensors to monitor and limit current dynamically. These smart fuses can respond within microseconds and provide instant diagnostics through communication buses, allowing remote monitoring and automatic fault isolation. They are increasingly used in robotics, where precision and uptime are critical.

Ultimately, mastering protective design means understanding responsibility. Every protective component is a safeguard for machinery and human life. When engineered and serviced correctly, they embody the principle that safety is not an afterthoughtit is the foundation of good engineering.

Figure 1
Safety and Handling Page 4

Good electrical safety starts before the first tool even comes out of the box. Review the diagram and understand what voltage and current you’re dealing with. Cut off the primary feed and label it clearly so no one turns it back on. Do not work solo around high-voltage or high-current systems. Good lighting, dry floors, and solid footing eliminate a lot of basic accidents.

Handling techniques define the difference between a temporary repair and a lasting installation. Choose tools that match the cable size and provide insulation from live parts. Be careful not to notch the conductor while stripping, because that weak spot can arc or corrode. Route low-level signal wires far from heavy current cables to limit electromagnetic noise. Clean routing shows professionalism and keeps the system reliable over time.

At the end, measure continuity and insulation to prove integrity. Look for loose strands, cut jackets, or plugs that aren’t fully seated. Do not energize until all shields and covers are reattached. Safety isn’t a checklist — it’s a habit that protects you, your teammates, and the system itself every time.

Figure 2
Symbols & Abbreviations Page 5

One schematic can simultaneously describe power, data, and logic. Thick lines usually mark high current, thin lines often mark signal or communication, and dashed lines may indicate shielding or harness grouping. Those visual cues help you tell heavy-load feeds from delicate signal lines in “Cub Cadet 1862 For Sale Wiring Diagram”.

Short tags on those runs tell you exactly what that line is doing. CAN-H, CAN-L, LIN BUS, SCL, SDA, TX, RX are data lines; B+, 12V SW, 5V REF, GND CHASSIS are supply or reference lines. Confusing those tags can make you feed power into a data bus line and destroy a module in Wiring Diagram.

So in 2025, always confirm: is this a data path or a power feed before you energize anything on “Cub Cadet 1862 For Sale Wiring Diagram”. That habit saves the hardware and protects http://mydiagram.online from being blamed for accidental damage. Log the pin IDs and meter points you used into https://http://mydiagram.online/cub-cadet-1862-for-sale-wiring-diagram/ so future troubleshooting has a clear trail.

Figure 3
Wire Colors & Gauges Page 6

Wire color and gauge selection directly affect how current flows and how safe an electrical system operates.
Good wiring design balances visual clarity and electrical capability to avoid hazards.
Common wire colors—red, black, yellow, and blue—function as universal identifiers understood in most electrical systems.
Typically, red marks live voltage, black or brown represents ground, yellow connects to ignition circuits, and blue handles communication or data signals.
By adhering to color standards, technicians working on “Cub Cadet 1862 For Sale Wiring Diagram” can instantly identify circuits and prevent accidental short circuits or overloads.

Wire size defines the trade-off between current capacity, mechanical durability, and ease of routing.
Lower AWG numbers indicate thicker conductors capable of carrying more current.
In Wiring Diagram, both AWG (American Wire Gauge) and metric (mm²) sizing systems are used depending on the application.
Normally, 2.5 mm² wires handle 25 amps, yet derating occurs under heat or extended cable length.
Choosing the correct wire size optimizes current flow and minimizes power loss in long runs.
Wire sizing precision enhances both safety and operational durability of “Cub Cadet 1862 For Sale Wiring Diagram”.

Documenting wiring actions is essential for maintaining transparency and safety compliance.
Each wire replacement or reroute should be recorded with its color, gauge, and destination clearly noted.
If a different wire type must be used due to stock limitations, it should be labeled and marked for future reference.
After completion, upload updated wiring diagrams and inspection data to http://mydiagram.online.
Adding inspection dates (2025) and the original reference path (https://http://mydiagram.online/cub-cadet-1862-for-sale-wiring-diagram/) helps maintain full traceability across the system.
Through this consistent documentation practice, technicians create a transparent service history that simplifies future troubleshooting and ensures compliance with electrical safety standards.

Figure 4
Power Distribution Overview Page 7

Power distribution is the organized process of transferring energy from a primary source to every subsystem that requires electrical power.
It ensures that each section of “Cub Cadet 1862 For Sale Wiring Diagram” receives the right voltage and current without interruption or imbalance.
Smartly designed distribution networks cut energy waste and strengthen system reliability.
When power is distributed evenly, it prevents overloads, voltage drops, and damage to sensitive equipment.
In short, proper power distribution is what keeps complex systems efficient, safe, and long-lasting.

Designing stable power distribution includes analysis, simulation, and adherence to electrical standards.
All wires, fuses, and relays must be chosen based on load capacity and operating environment.
Within Wiring Diagram, these standards guide professionals toward creating safe and standardized electrical systems.
Cables carrying different voltage levels must be routed separately to minimize electromagnetic interference (EMI).
Label all fuse panels and grounding points clearly, ensuring they are safe and easy to access.
Adhering to these principles allows “Cub Cadet 1862 For Sale Wiring Diagram” to deliver reliable performance across variable environments.

Testing, verification, and documentation close the loop of a reliable power distribution system.
Engineers must measure voltage, verify grounding, and ensure protective devices work properly.
Any changes or maintenance work should be documented in both schematic drawings and digital records.
Upload every report and record to http://mydiagram.online for long-term secure storage.
Including the installation year (2025) and relevant documentation link (https://http://mydiagram.online/cub-cadet-1862-for-sale-wiring-diagram/) ensures full traceability.
Comprehensive testing and documentation ensure “Cub Cadet 1862 For Sale Wiring Diagram” remains stable, safe, and efficient.

Figure 5
Grounding Strategy Page 8

It stands as the essential core for stable and secure electrical operations.
It channels unwanted current safely into the ground, safeguarding personnel, devices, and information.
If grounding is missing, “Cub Cadet 1862 For Sale Wiring Diagram” may suffer from voltage spikes, EMI, or unsafe electrical discharges.
Good grounding ensures stable signals, less interference, and extended component life.
Across Wiring Diagram, grounding serves as a vital foundation for both safety and operational integrity.

An efficient grounding design requires analyzing soil conductivity, current path, and voltage conditions.
Grounding specialists should measure resistivity, assess current limits, and choose proper materials.
Within Wiring Diagram, engineers rely on IEC 60364 and IEEE 142 to meet electrical grounding standards.
Each grounding terminal should be secure, durable, and free from corrosion.
All grounding connections should tie into one plane to prevent voltage imbalances.
By applying these engineering standards, “Cub Cadet 1862 For Sale Wiring Diagram” achieves consistent safety and stable performance even under high load conditions.

Maintenance and testing are critical to keeping the grounding system functional over time.
Technicians should inspect electrodes, test resistance, and verify that bonding remains intact.
Detected corrosion or mechanical faults require immediate replacement and verification.
Every inspection report and test result must be recorded for audits and reference.
Ground resistance should be checked annually or whenever environmental changes occur.
With continuous inspection and recordkeeping, “Cub Cadet 1862 For Sale Wiring Diagram” upholds safety, reliability, and optimal grounding performance.

Figure 6
Connector Index & Pinout Page 9

Cub Cadet 1862 For Sale Wiring Diagram Full Manual – Connector Index & Pinout Guide 2025

Every connector pin is numbered systematically to help technicians identify circuits correctly. {Numbers are usually assigned from left to right or top to bottom, depending on connector design.|The numbering order typically follows the manufacturer’s specified pattern shown in servi...

If the pin view is misread, technicians may probe the wrong terminal and damage sensitive components. {Wiring manuals usually include an icon or note that specifies “Connector shown from wire side” or “Terminal side view.”|Manufacturers mark diagrams with clear orientation symbols to prevent this issue.|Service documents always highlight the connector ...

Labeling connectors during disassembly saves time during reassembly. {Consistent pin numbering not only improves workflow but also maintains long-term reliability of the harness.|Standardized numbering across all connectors simplifies system documentation and reduces confusion.|Maintaining numbering discipline ensures predictable performance across re...

Figure 7
Sensor Inputs Page 10

Cub Cadet 1862 For Sale Wiring Diagram – Sensor Inputs 2025

The coolant temperature sensor (CTS) monitors engine temperature and provides vital data to the ECU. {As coolant warms up, the sensor’s resistance changes, altering the voltage signal sent to the control unit.|The ECU reads this signal to adjust fuel mixture, ignition timing, and cooling fan activatio...

Their simple and reliable design makes them common in automotive and industrial systems. {Some vehicles use dual temperature sensors—one for the ECU and another for the dashboard gauge.|This allows separate control for system regulation and driver display.|Accurate temperature sensing ensures stable operation under varying load condi...

Faulty CTS readings can lead to hard starting, black smoke, or erratic idle. Maintaining precise coolant temperature feedback ensures consistent performance and emission control.

Figure 8
Actuator Outputs Page 11

Cub Cadet 1862 For Sale Wiring Diagram Full Manual – Actuator Outputs Reference 2025

A servo motor adjusts its position based on control signals and internal feedback sensors. {They consist of a DC or AC motor, gear mechanism, and position sensor integrated in a closed-loop system.|The control unit sends pulse-width modulation (PWM) signals to define target position or speed.|Feedback from the position senso...

Industrial automation uses servos for tasks that demand repeatable motion accuracy. {Unlike open-loop motors, servos continuously correct errors between command and actual position.|This closed-loop design provides stability, responsiveness, and torque efficiency.|Proper tuning of control parameters prevents overshoot and oscil...

Technicians should verify servo operation by checking input PWM frequency, voltage, and feedback response. {Maintaining servo motor systems ensures smooth control and long operational life.|Proper calibration guarantees accuracy and consistent motion output.|Understanding servo feedback systems helps technicians perform precisio...

Figure 9
Control Unit / Module Page 12

Cub Cadet 1862 For Sale Wiring Diagram Full Manual – Sensor Inputs Reference 2025

Throttle position sensors (TPS) monitor the angle of the throttle valve and report it to the ECU. {As the throttle pedal moves, the sensor’s resistance changes, producing a proportional voltage output.|The ECU interprets this voltage to adjust air intake, ignition timing, and fuel injection.|Accurate throttle ...

Most TPS devices are potentiometer-based sensors that vary resistance depending on throttle shaft rotation. The linear signal helps the ECU calculate how much fuel to inject for optimal combustion.

Technicians should verify voltage sweep consistency during sensor testing. Understanding TPS signals improves engine tuning and overall system performance.

Figure 10
Communication Bus Page 13

Communication bus systems in Cub Cadet 1862 For Sale Wiring Diagram 2025 Wiring Diagram operate as a
highly structured multi‑layer communication architecture that
interconnects advanced sensors, actuators, gateway controllers,
powertrain ECUs, chassis logic units, and a wide range of distributed
electronic modules, ensuring all message exchanges occur with
deterministic timing, minimal latency, and stable synchronization even
when the vehicle is exposed to rapid load transitions, harsh road
vibration, electromagnetic pulses, thermal cycling, or voltage
fluctuations.

LIN, although slower, plays an equally important role by
offloading simpler functions such as interior switch panels, HVAC
actuators, mirror modules, and lighting subsystems, ensuring that
high‑speed bandwidth is reserved for safety‑critical
operations.

Degradation within communication bus networks can originate from subtle
factors such as shield discontinuity, impedance mismatch along branch
splices, conductor fatigue caused by oscillatory vibration,
micro‑cracking inside cable insulation, thermal warping near
high‑current junctions, humidity‑driven terminal oxidation, or
high‑intensity EMI spikes emitted by alternator diodes, ignition coils,
and aftermarket electronic accessories.

Figure 11
Protection: Fuse & Relay Page 14

Protection systems in Cub Cadet 1862 For Sale Wiring Diagram 2025 Wiring Diagram rely on fuses and relays
to form a controlled barrier between electrical loads and the vehicle’s
power distribution backbone. These elements react instantly to abnormal
current patterns, stopping excessive amperage before it cascades into
critical modules. By segmenting circuits into isolated branches, the
system protects sensors, control units, lighting, and auxiliary
equipment from thermal stress and wiring burnout.

In modern architectures, relays handle repetitive activation
cycles, executing commands triggered by sensors or control software.
Their isolation capabilities reduce stress on low‑current circuits,
while fuses provide sacrificial protection whenever load spikes exceed
tolerance thresholds. Together they create a multi‑layer defense grid
adaptable to varying thermal and voltage demands.

Common failures within fuse‑relay assemblies often trace back to
vibration fatigue, corroded terminals, oxidized blades, weak coil
windings, or overheating caused by loose socket contacts. Drivers may
observe symptoms such as flickering accessories, intermittent actuator
response, disabled subsystems, or repeated fuse blows. Proper
diagnostics require voltage‑drop measurements, socket stability checks,
thermal inspection, and coil resistance evaluation.

Figure 12
Test Points & References Page 15

Test points play a foundational role in Cub Cadet 1862 For Sale Wiring Diagram 2025 Wiring Diagram by
providing branch-line current distortion distributed across the
electrical network. These predefined access nodes allow technicians to
capture stable readings without dismantling complex harness assemblies.
By exposing regulated supply rails, clean ground paths, and buffered
signal channels, test points simplify fault isolation and reduce
diagnostic time when tracking voltage drops, miscommunication between
modules, or irregular load behavior.

Technicians rely on these access nodes to conduct branch-line current
distortion, waveform pattern checks, and signal-shape verification
across multiple operational domains. By comparing known reference values
against observed readings, inconsistencies can quickly reveal poor
grounding, voltage imbalance, or early-stage conductor fatigue. These
cross-checks are essential when diagnosing sporadic faults that only
appear during thermal expansion cycles or variable-load driving
conditions.

Frequent discoveries made at reference nodes
involve irregular waveform signatures, contact oxidation, fluctuating
supply levels, and mechanical fatigue around connector bodies.
Diagnostic procedures include load simulation, voltage-drop mapping, and
ground potential verification to ensure that each subsystem receives
stable and predictable electrical behavior under all operating
conditions.

Figure 13
Measurement Procedures Page 16

Measurement procedures for Cub Cadet 1862 For Sale Wiring Diagram 2025 Wiring Diagram begin with current
flow auditing to establish accurate diagnostic foundations. Technicians
validate stable reference points such as regulator outputs, ground
planes, and sensor baselines before proceeding with deeper analysis.
This ensures reliable interpretation of electrical behavior under
different load and temperature conditions.

Technicians utilize these measurements to evaluate waveform stability,
current flow auditing, and voltage behavior across multiple subsystem
domains. Comparing measured values against specifications helps identify
root causes such as component drift, grounding inconsistencies, or
load-induced fluctuations.

Frequent
anomalies identified during procedure-based diagnostics include ground
instability, periodic voltage collapse, digital noise interference, and
contact resistance spikes. Consistent documentation and repeated
sampling are essential to ensure accurate diagnostic conclusions.

Figure 14
Troubleshooting Guide Page 17

Structured troubleshooting depends on
structure-first diagnostic logic, enabling technicians to establish
reliable starting points before performing detailed inspections.

Field testing
incorporates live-data interpretation routines, providing insight into
conditions that may not appear during bench testing. This highlights
environment‑dependent anomalies.

Degraded shielding can allow external
electromagnetic bursts to distort communication lines. Shield continuity
checks and rewrapping harness segments mitigate the issue.

Figure 15
Common Fault Patterns Page 18

Common fault patterns in Cub Cadet 1862 For Sale Wiring Diagram 2025 Wiring Diagram frequently stem from
high-frequency noise reflection inside extended harness runs, a
condition that introduces irregular electrical behavior observable
across multiple subsystems. Early-stage symptoms are often subtle,
manifesting as small deviations in baseline readings or intermittent
inconsistencies that disappear as quickly as they appear. Technicians
must therefore begin diagnostics with broad-spectrum inspection,
ensuring that fundamental supply and return conditions are stable before
interpreting more complex indicators.

Patterns
linked to high-frequency noise reflection inside extended harness runs
frequently reveal themselves during active subsystem transitions, such
as ignition events, relay switching, or electronic module
initialization. The resulting irregularities—whether sudden voltage
dips, digital noise pulses, or inconsistent ground offset—are best
analyzed using waveform-capture tools that expose micro-level
distortions invisible to simple multimeter checks.

Left unresolved, high-frequency noise reflection
inside extended harness runs may cause cascading failures as modules
attempt to compensate for distorted data streams. This can trigger false
DTCs, unpredictable load behavior, delayed actuator response, and even
safety-feature interruptions. Comprehensive analysis requires reviewing
subsystem interaction maps, recreating stress conditions, and validating
each reference point’s consistency under both static and dynamic
operating states.

Figure 16
Maintenance & Best Practices Page 19

For
long-term system stability, effective electrical upkeep prioritizes
connector corrosion mitigation routines, allowing technicians to
maintain predictable performance across voltage-sensitive components.
Regular inspections of wiring runs, connector housings, and grounding
anchors help reveal early indicators of degradation before they escalate
into system-wide inconsistencies.

Addressing concerns tied to connector corrosion mitigation routines
involves measuring voltage profiles, checking ground offsets, and
evaluating how wiring behaves under thermal load. Technicians also
review terminal retention to ensure secure electrical contact while
preventing micro-arcing events. These steps safeguard signal clarity and
reduce the likelihood of intermittent open circuits.

Failure
to maintain connector corrosion mitigation routines can lead to
cascading electrical inconsistencies, including voltage drops, sensor
signal distortion, and sporadic subsystem instability. Long-term
reliability requires careful documentation, periodic connector service,
and verification of each branch circuit’s mechanical and electrical
health under both static and dynamic conditions.

Figure 17
Appendix & References Page 20

In many vehicle platforms,
the appendix operates as a universal alignment guide centered on
subsystem classification nomenclature, helping technicians maintain
consistency when analyzing circuit diagrams or performing diagnostic
routines. This reference section prevents confusion caused by
overlapping naming systems or inconsistent labeling between subsystems,
thereby establishing a unified technical language.

Material within the appendix covering subsystem
classification nomenclature often features quick‑access charts,
terminology groupings, and definition blocks that serve as anchors
during diagnostic work. Technicians rely on these consolidated
references to differentiate between similar connector profiles,
categorize branch circuits, and verify signal classifications.

Robust appendix material for subsystem classification
nomenclature strengthens system coherence by standardizing definitions
across numerous technical documents. This reduces ambiguity, supports
proper cataloging of new components, and helps technicians avoid
misinterpretation that could arise from inconsistent reference
structures.

Figure 18
Deep Dive #1 - Signal Integrity & EMC Page 21

Deep analysis of signal integrity in Cub Cadet 1862 For Sale Wiring Diagram 2025 Wiring Diagram requires
investigating how shielding degradation from mechanical fatigue disrupts
expected waveform performance across interconnected circuits. As signals
propagate through long harnesses, subtle distortions accumulate due to
impedance shifts, parasitic capacitance, and external electromagnetic
stress. This foundational assessment enables technicians to understand
where integrity loss begins and how it evolves.

When shielding degradation from mechanical fatigue occurs, signals may
experience phase delays, amplitude decay, or transient ringing depending
on harness composition and environmental exposure. Technicians must
review waveform transitions under varying thermal, load, and EMI
conditions. Tools such as high‑bandwidth oscilloscopes and frequency
analyzers reveal distortion patterns that remain hidden during static
measurements.

Left uncorrected, shielding degradation from mechanical fatigue can
progress into widespread communication degradation, module
desynchronization, or unstable sensor logic. Technicians must verify
shielding continuity, examine grounding symmetry, analyze differential
paths, and validate signal behavior across environmental extremes. Such
comprehensive evaluation ensures repairs address root EMC
vulnerabilities rather than surface‑level symptoms.

Figure 19
Deep Dive #2 - Signal Integrity & EMC Page 22

Deep
technical assessment of EMC interactions must account for EMI‑triggered
metastability in digital logic, as the resulting disturbances can
propagate across wiring networks and disrupt timing‑critical
communication. These disruptions often appear sporadically, making early
waveform sampling essential to characterize the extent of
electromagnetic influence across multiple operational states.

Systems experiencing EMI‑triggered
metastability in digital logic frequently show inconsistencies during
fast state transitions such as ignition sequencing, data bus
arbitration, or actuator modulation. These inconsistencies originate
from embedded EMC interactions that vary with harness geometry,
grounding quality, and cable impedance. Multi‑stage capture techniques
help isolate the root interaction layer.

Long-term exposure to EMI‑triggered metastability in digital logic can
lead to accumulated timing drift, intermittent arbitration failures, or
persistent signal misalignment. Corrective action requires reinforcing
shielding structures, auditing ground continuity, optimizing harness
layout, and balancing impedance across vulnerable lines. These measures
restore waveform integrity and mitigate progressive EMC
deterioration.

Figure 20
Deep Dive #3 - Signal Integrity & EMC Page 23

Deep diagnostic exploration of signal integrity in Cub Cadet 1862 For Sale Wiring Diagram 2025
Wiring Diagram must consider how harmonic resonance buildup under alternating
magnetic exposure alters the electrical behavior of communication
pathways. As signal frequencies increase or environmental
electromagnetic conditions intensify, waveform precision becomes
sensitive to even minor impedance gradients. Technicians therefore begin
evaluation by mapping signal propagation under controlled conditions and
identifying baseline distortion characteristics.

When harmonic resonance buildup under alternating magnetic exposure is
active within a vehicle’s electrical environment, technicians may
observe shift in waveform symmetry, rising-edge deformation, or delays
in digital line arbitration. These behaviors require examination under
multiple load states, including ignition operation, actuator cycling,
and high-frequency interference conditions. High-bandwidth oscilloscopes
and calibrated field probes reveal the hidden nature of such
distortions.

If
unchecked, harmonic resonance buildup under alternating magnetic
exposure can escalate into broader electrical instability, causing
corruption of data frames, synchronization loss between modules, and
unpredictable actuator behavior. Effective corrective action requires
ground isolation improvements, controlled harness rerouting, adaptive
termination practices, and installation of noise-suppression elements
tailored to the affected frequency range.

Figure 21
Deep Dive #4 - Signal Integrity & EMC Page 24

Deep technical assessment of signal behavior in Cub Cadet 1862 For Sale Wiring Diagram 2025
Wiring Diagram requires understanding how dynamic reference collapse triggered
by simultaneous module sync reshapes waveform integrity across
interconnected circuits. As system frequency demands rise and wiring
architectures grow more complex, even subtle electromagnetic
disturbances can compromise deterministic module coordination. Initial
investigation begins with controlled waveform sampling and baseline
mapping.

When dynamic reference collapse triggered by simultaneous module sync
is active, waveform distortion may manifest through amplitude
instability, reference drift, unexpected ringing artifacts, or shifting
propagation delays. These effects often correlate with subsystem
transitions, thermal cycles, actuator bursts, or environmental EMI
fluctuations. High‑bandwidth test equipment reveals the microscopic
deviations hidden within normal signal envelopes.

Long‑term exposure to dynamic reference collapse triggered by
simultaneous module sync can create cascading waveform degradation,
arbitration failures, module desynchronization, or persistent sensor
inconsistency. Corrective strategies include impedance tuning, shielding
reinforcement, ground‑path rebalancing, and reconfiguration of sensitive
routing segments. These adjustments restore predictable system behavior
under varied EMI conditions.

Figure 22
Deep Dive #5 - Signal Integrity & EMC Page 25

Advanced waveform diagnostics in Cub Cadet 1862 For Sale Wiring Diagram 2025 Wiring Diagram must account
for PWM-driven magnetic noise violating analog threshold margins, a
complex interaction that reshapes both analog and digital signal
behavior across interconnected subsystems. As modern vehicle
architectures push higher data rates and consolidate multiple electrical
domains, even small EMI vectors can distort timing, amplitude, and
reference stability.

When PWM-driven magnetic noise violating analog threshold margins is
active, signal paths may exhibit ringing artifacts, asymmetric edge
transitions, timing drift, or unexpected amplitude compression. These
effects are amplified during actuator bursts, ignition sequencing, or
simultaneous communication surges. Technicians rely on high-bandwidth
oscilloscopes and spectral analysis to characterize these distortions
accurately.

If left unresolved, PWM-driven magnetic noise violating analog
threshold margins may evolve into severe operational instability—ranging
from data corruption to sporadic ECU desynchronization. Effective
countermeasures include refining harness geometry, isolating radiated
hotspots, enhancing return-path uniformity, and implementing
frequency-specific suppression techniques.

Figure 23
Deep Dive #6 - Signal Integrity & EMC Page 26

Signal behavior
under the influence of RF density spikes disrupting vehicle subsystem
timing in dense urban zones becomes increasingly unpredictable as
electrical environments evolve toward higher voltage domains, denser
wiring clusters, and more sensitive digital logic. Deep initial
assessment requires waveform sampling under various load conditions to
establish a reliable diagnostic baseline.

Systems experiencing RF density spikes disrupting vehicle
subsystem timing in dense urban zones frequently display instability
during high-demand or multi-domain activity. These effects stem from
mixed-frequency coupling, high-voltage switching noise, radiated
emissions, or environmental field density. Analyzing time-domain and
frequency-domain behavior together is essential for accurate root-cause
isolation.

If unresolved, RF
density spikes disrupting vehicle subsystem timing in dense urban zones
can escalate into catastrophic failure modes—ranging from module resets
and actuator misfires to complete subsystem desynchronization. Effective
corrective actions include tuning impedance profiles, isolating radiated
hotspots, applying frequency-specific suppression, and refining
communication topology to ensure long-term stability.

Figure 24
Harness Layout Variant #1 Page 27

In-depth planning of
harness architecture involves understanding how branch‑angle
optimization improving durability under chassis vibration affects
long-term stability. As wiring systems grow more complex, engineers must
consider structural constraints, subsystem interaction, and the balance
between electrical separation and mechanical compactness.

During layout development, branch‑angle optimization improving
durability under chassis vibration can determine whether circuits
maintain clean signal behavior under dynamic operating conditions.
Mechanical and electrical domains intersect heavily in modern harness
designs—routing angle, bundling tightness, grounding alignment, and
mounting intervals all affect susceptibility to noise, wear, and
heat.

Unchecked, branch‑angle optimization improving durability under
chassis vibration may lead to premature insulation wear, intermittent
electrical noise, connector stress, or routing interference with moving
components. Implementing balanced tensioning, precise alignment,
service-friendly positioning, and clear labeling mitigates long-term
risk and enhances system maintainability.

Figure 25
Harness Layout Variant #2 Page 28

Harness Layout Variant #2 for Cub Cadet 1862 For Sale Wiring Diagram 2025 Wiring Diagram focuses on
noise-aware vertical routing through interior structures, a structural
and electrical consideration that influences both reliability and
long-term stability. As modern vehicles integrate more electronic
modules, routing strategies must balance physical constraints with the
need for predictable signal behavior.

During refinement, noise-aware vertical routing through interior
structures impacts EMI susceptibility, heat distribution, vibration
loading, and ground continuity. Designers analyze spacing, elevation
changes, shielding alignment, tie-point positioning, and path curvature
to ensure the harness resists mechanical fatigue while maintaining
electrical integrity.

If neglected,
noise-aware vertical routing through interior structures may cause
abrasion, insulation damage, intermittent electrical noise, or alignment
stress on connectors. Precision anchoring, balanced tensioning, and
correct separation distances significantly reduce such failure risks
across the vehicle’s entire electrical architecture.

Figure 26
Harness Layout Variant #3 Page 29

Harness Layout Variant #3 for Cub Cadet 1862 For Sale Wiring Diagram 2025 Wiring Diagram focuses on
water‑diversion routing strategies for lower chassis layouts, an
essential structural and functional element that affects reliability
across multiple vehicle zones. Modern platforms require routing that
accommodates mechanical constraints while sustaining consistent
electrical behavior and long-term durability.

In real-world operation, water‑diversion
routing strategies for lower chassis layouts determines how the harness
responds to thermal cycling, chassis motion, subsystem vibration, and
environmental elements. Proper connector staging, strategic bundling,
and controlled curvature help maintain stable performance even in
aggressive duty cycles.

Managing water‑diversion routing strategies for lower chassis layouts
effectively ensures robust, serviceable, and EMI‑resistant harness
layouts. Engineers rely on optimized routing classifications, grounding
structures, anti‑wear layers, and anchoring intervals to produce a
layout that withstands long-term operational loads.

Figure 27
Harness Layout Variant #4 Page 30

The
architectural approach for this variant prioritizes crash-safe routing redundancies across deformation zones,
focusing on service access, electrical noise reduction, and long-term durability. Engineers balance bundle
compactness with proper signal separation to avoid EMI coupling while keeping the routing footprint
efficient.

In
real-world operation, crash-safe routing redundancies across deformation zones affects signal quality near
actuators, motors, and infotainment modules. Cable elevation, branch sequencing, and anti-chafe barriers
reduce premature wear. A combination of elastic tie-points, protective sleeves, and low-profile clips keeps
bundles orderly yet flexible under dynamic loads.

If overlooked, crash-safe routing redundancies across deformation zones may lead to insulation wear,
loose connections, or intermittent signal faults caused by chafing. Solutions include anchor repositioning,
spacing corrections, added shielding, and branch restructuring to shorten paths and improve long-term
serviceability.

Figure 28
Diagnostic Flowchart #1 Page 31

Diagnostic Flowchart #1 for Cub Cadet 1862 For Sale Wiring Diagram 2025 Wiring Diagram begins with frequency‑domain confirmation of suspected
EMI disturbances, establishing a precise entry point that helps technicians determine whether symptoms
originate from signal distortion, grounding faults, or early‑stage communication instability. A consistent
diagnostic baseline prevents unnecessary part replacement and improves accuracy. As diagnostics progress, frequency‑domain confirmation of suspected EMI disturbances becomes a
critical branch factor influencing decisions relating to grounding integrity, power sequencing, and network
communication paths. This structured logic ensures accuracy even when symptoms appear scattered. A complete
validation cycle ensures frequency‑domain confirmation of suspected EMI disturbances is confirmed across all
operational states. Documenting each decision point creates traceability, enabling faster future diagnostics
and reducing the chance of repeat failures.

Figure 29
Diagnostic Flowchart #2 Page 32

The initial phase of Diagnostic Flowchart #2
emphasizes communication retry-pattern profiling for intermittent faults, ensuring that technicians validate
foundational electrical relationships before evaluating deeper subsystem interactions. This prevents
diagnostic drift and reduces unnecessary component replacements. Throughout the flowchart, communication retry-pattern profiling for intermittent faults interacts
with verification procedures involving reference stability, module synchronization, and relay or fuse
behavior. Each decision point eliminates entire categories of possible failures, allowing the technician to
converge toward root cause faster. Completing the flow ensures that communication retry-pattern profiling
for intermittent faults is validated under multiple operating conditions, reducing the likelihood of recurring
issues. The resulting diagnostic trail provides traceable documentation that improves future troubleshooting
accuracy.

Figure 30
Diagnostic Flowchart #3 Page 33

Diagnostic Flowchart #3 for Cub Cadet 1862 For Sale Wiring Diagram 2025 Wiring Diagram initiates with intermittent short‑path detection using
staged isolation, establishing a strategic entry point for technicians to separate primary electrical faults
from secondary symptoms. By evaluating the system from a structured baseline, the diagnostic process becomes
far more efficient. As the flowchart
progresses, intermittent short‑path detection using staged isolation defines how mid‑stage decisions are
segmented. Technicians sequentially eliminate power, ground, communication, and actuation domains while
interpreting timing shifts, signal drift, or misalignment across related circuits. If intermittent
short‑path detection using staged isolation is not thoroughly verified, hidden electrical inconsistencies may
trigger cascading subsystem faults. A reinforced decision‑tree process ensures all potential contributors are
validated.

Figure 31
Diagnostic Flowchart #4 Page 34

Diagnostic Flowchart #4 for Cub Cadet 1862 For Sale Wiring Diagram 2025
Wiring Diagram focuses on transient‑spike propagation tracing along power rails, laying the foundation for a
structured fault‑isolation path that eliminates guesswork and reduces unnecessary component swapping. The
first stage examines core references, voltage stability, and baseline communication health to determine
whether the issue originates in the primary network layer or in a secondary subsystem. Technicians follow a
branched decision flow that evaluates signal symmetry, grounding patterns, and frame stability before
advancing into deeper diagnostic layers. As the evaluation continues, transient‑spike propagation tracing
along power rails becomes the controlling factor for mid‑level branch decisions. This includes correlating
waveform alignment, identifying momentary desync signatures, and interpreting module wake‑timing conflicts. By
dividing the diagnostic pathway into focused electrical domains—power delivery, grounding integrity,
communication architecture, and actuator response—the flowchart ensures that each stage removes entire
categories of faults with minimal overlap. This structured segmentation accelerates troubleshooting and
increases diagnostic precision. The final stage ensures that
transient‑spike propagation tracing along power rails is validated under multiple operating conditions,
including thermal stress, load spikes, vibration, and state transitions. These controlled stress points help
reveal hidden instabilities that may not appear during static testing. Completing all verification nodes
ensures long‑term stability, reducing the likelihood of recurring issues and enabling technicians to document
clear, repeatable steps for future diagnostics.

Figure 32
Case Study #1 - Real-World Failure Page 35

Case Study #1 for Cub Cadet 1862 For Sale Wiring Diagram 2025 Wiring Diagram examines a real‑world failure involving instrument‑cluster data
loss from intermittent low‑voltage supply. The issue first appeared as an intermittent symptom that did not
trigger a consistent fault code, causing technicians to suspect unrelated components. Early observations
highlighted irregular electrical behavior, such as momentary signal distortion, delayed module responses, or
fluctuating reference values. These symptoms tended to surface under specific thermal, vibration, or load
conditions, making replication difficult during static diagnostic tests. Further investigation into
instrument‑cluster data loss from intermittent low‑voltage supply required systematic measurement across power
distribution paths, grounding nodes, and communication channels. Technicians used targeted diagnostic
flowcharts to isolate variables such as voltage drop, EMI exposure, timing skew, and subsystem
desynchronization. By reproducing the fault under controlled conditions—applying heat, inducing vibration, or
simulating high load—they identified the precise moment the failure manifested. This structured process
eliminated multiple potential contributors, narrowing the fault domain to a specific harness segment,
component group, or module logic pathway. The confirmed cause tied to instrument‑cluster data loss from
intermittent low‑voltage supply allowed technicians to implement the correct repair, whether through component
replacement, harness restoration, recalibration, or module reprogramming. After corrective action, the system
was subjected to repeated verification cycles to ensure long‑term stability under all operating conditions.
Documenting the failure pattern and diagnostic sequence provided valuable reference material for similar
future cases, reducing diagnostic time and preventing unnecessary part replacement.

Figure 33
Case Study #2 - Real-World Failure Page 36

Case Study #2 for Cub Cadet 1862 For Sale Wiring Diagram 2025 Wiring Diagram examines a real‑world failure involving ground‑reference
oscillations propagating across multiple chassis points. The issue presented itself with intermittent symptoms
that varied depending on temperature, load, or vehicle motion. Technicians initially observed irregular system
responses, inconsistent sensor readings, or sporadic communication drops. Because the symptoms did not follow
a predictable pattern, early attempts at replication were unsuccessful, leading to misleading assumptions
about unrelated subsystems. A detailed investigation into ground‑reference oscillations propagating across
multiple chassis points required structured diagnostic branching that isolated power delivery, ground
stability, communication timing, and sensor integrity. Using controlled diagnostic tools, technicians applied
thermal load, vibration, and staged electrical demand to recreate the failure in a measurable environment.
Progressive elimination of subsystem groups—ECUs, harness segments, reference points, and actuator
pathways—helped reveal how the failure manifested only under specific operating thresholds. This systematic
breakdown prevented misdiagnosis and reduced unnecessary component swaps. Once the cause linked to
ground‑reference oscillations propagating across multiple chassis points was confirmed, the corrective action
involved either reconditioning the harness, replacing the affected component, reprogramming module firmware,
or adjusting calibration parameters. Post‑repair validation cycles were performed under varied conditions to
ensure long‑term reliability and prevent future recurrence. Documentation of the failure characteristics,
diagnostic sequence, and final resolution now serves as a reference for addressing similar complex faults more
efficiently.

Figure 34
Case Study #3 - Real-World Failure Page 37

Case Study #3 for Cub Cadet 1862 For Sale Wiring Diagram 2025 Wiring Diagram focuses on a real‑world failure involving relay micro‑arcing from
coil winding fatigue over repeated duty cycles. Technicians first observed erratic system behavior, including
fluctuating sensor values, delayed control responses, and sporadic communication warnings. These symptoms
appeared inconsistently, often only under specific temperature, load, or vibration conditions. Early
troubleshooting attempts failed to replicate the issue reliably, creating the impression of multiple unrelated
subsystem faults rather than a single root cause. To investigate relay micro‑arcing from coil winding fatigue
over repeated duty cycles, a structured diagnostic approach was essential. Technicians conducted staged power
and ground validation, followed by controlled stress testing that included thermal loading, vibration
simulation, and alternating electrical demand. This method helped reveal the precise operational threshold at
which the failure manifested. By isolating system domains—communication networks, power rails, grounding
nodes, and actuator pathways—the diagnostic team progressively eliminated misleading symptoms and narrowed the
problem to a specific failure mechanism. After identifying the underlying cause tied to relay micro‑arcing
from coil winding fatigue over repeated duty cycles, technicians carried out targeted corrective actions such
as replacing compromised components, restoring harness integrity, updating ECU firmware, or recalibrating
affected subsystems. Post‑repair validation cycles confirmed stable performance across all operating
conditions. The documented diagnostic path and resolution now serve as a repeatable reference for addressing
similar failures with greater speed and accuracy.

Figure 35
Case Study #4 - Real-World Failure Page 38

Case Study #4 for Cub Cadet 1862 For Sale Wiring Diagram 2025 Wiring Diagram examines a high‑complexity real‑world failure involving sensor
resolution collapse during high‑frequency vibration exposure. The issue manifested across multiple subsystems
simultaneously, creating an array of misleading symptoms ranging from inconsistent module responses to
distorted sensor feedback and intermittent communication warnings. Initial diagnostics were inconclusive due
to the fault’s dependency on vibration, thermal shifts, or rapid load changes. These fluctuating conditions
allowed the failure to remain dormant during static testing, pushing technicians to explore deeper system
interactions that extended beyond conventional troubleshooting frameworks. To investigate sensor resolution
collapse during high‑frequency vibration exposure, technicians implemented a layered diagnostic workflow
combining power‑rail monitoring, ground‑path validation, EMI tracing, and logic‑layer analysis. Stress tests
were applied in controlled sequences to recreate the precise environment in which the instability
surfaced—often requiring synchronized heat, vibration, and electrical load modulation. By isolating
communication domains, verifying timing thresholds, and comparing analog sensor behavior under dynamic
conditions, the diagnostic team uncovered subtle inconsistencies that pointed toward deeper system‑level
interactions rather than isolated component faults. After confirming the root mechanism tied to sensor
resolution collapse during high‑frequency vibration exposure, corrective action involved component
replacement, harness reconditioning, ground‑plane reinforcement, or ECU firmware restructuring depending on
the failure’s nature. Technicians performed post‑repair endurance tests that included repeated thermal
cycling, vibration exposure, and electrical stress to guarantee long‑term system stability. Thorough
documentation of the analysis method, failure pattern, and final resolution now serves as a highly valuable
reference for identifying and mitigating similar high‑complexity failures in the future.

Figure 36
Case Study #5 - Real-World Failure Page 39

Case Study #5 for Cub Cadet 1862 For Sale Wiring Diagram 2025 Wiring Diagram investigates a complex real‑world failure involving broadband
shielding breach exposing CAN lines to RF noise. The issue initially presented as an inconsistent mixture of
delayed system reactions, irregular sensor values, and sporadic communication disruptions. These events tended
to appear under dynamic operational conditions—such as elevated temperatures, sudden load transitions, or
mechanical vibration—which made early replication attempts unreliable. Technicians encountered symptoms
occurring across multiple modules simultaneously, suggesting a deeper systemic interaction rather than a
single isolated component failure. During the investigation of broadband shielding breach exposing CAN lines
to RF noise, a multi‑layered diagnostic workflow was deployed. Technicians performed sequential power‑rail
mapping, ground‑plane verification, and high‑frequency noise tracing to detect hidden instabilities.
Controlled stress testing—including targeted heat application, induced vibration, and variable load
modulation—was carried out to reproduce the failure consistently. The team methodically isolated subsystem
domains such as communication networks, analog sensor paths, actuator control logic, and module
synchronization timing. This progressive elimination approach identified critical operational thresholds where
the failure reliably emerged. After determining the underlying mechanism tied to broadband shielding breach
exposing CAN lines to RF noise, technicians carried out corrective actions that ranged from harness
reconditioning and connector reinforcement to firmware restructuring and recalibration of affected modules.
Post‑repair validation involved repeated cycles of vibration, thermal stress, and voltage fluctuation to
ensure long‑term stability and eliminate the possibility of recurrence. The documented resolution pathway now
serves as an advanced reference model for diagnosing similarly complex failures across modern vehicle
platforms.

Figure 37
Case Study #6 - Real-World Failure Page 40

Case Study #6 for Cub Cadet 1862 For Sale Wiring Diagram 2025 Wiring Diagram examines a complex real‑world failure involving mass‑airflow sensor
drift accelerating under thermal shock cycling. Symptoms emerged irregularly, with clustered faults appearing
across unrelated modules, giving the impression of multiple simultaneous subsystem failures. These
irregularities depended strongly on vibration, temperature shifts, or abrupt electrical load changes, making
the issue difficult to reproduce during initial diagnostic attempts. Technicians noted inconsistent sensor
feedback, communication delays, and momentary power‑rail fluctuations that persisted without generating
definitive fault codes. The investigation into mass‑airflow sensor drift accelerating under thermal shock
cycling required a multi‑layer diagnostic strategy combining signal‑path tracing, ground stability assessment,
and high‑frequency noise evaluation. Technicians executed controlled stress tests—including thermal cycling,
vibration induction, and staged electrical loading—to reveal the exact thresholds at which the fault
manifested. Using structured elimination across harness segments, module clusters, and reference nodes, they
isolated subtle timing deviations, analog distortions, or communication desynchronization that pointed toward
a deeper systemic failure mechanism rather than isolated component malfunction. Once mass‑airflow sensor
drift accelerating under thermal shock cycling was identified as the root failure mechanism, targeted
corrective measures were implemented. These included harness reinforcement, connector replacement, firmware
restructuring, recalibration of key modules, or ground‑path reconfiguration depending on the nature of the
instability. Post‑repair endurance runs with repeated vibration, heat cycles, and voltage stress ensured
long‑term reliability. Documentation of the diagnostic sequence and recovery pathway now provides a vital
reference for detecting and resolving similarly complex failures more efficiently in future service
operations.

Figure 38
Hands-On Lab #1 - Measurement Practice Page 41

Hands‑On Lab #1 for Cub Cadet 1862 For Sale Wiring Diagram 2025 Wiring Diagram focuses on continuity and resistance tracing on multi‑segment
harnesses. This exercise teaches technicians how to perform structured diagnostic measurements using
multimeters, oscilloscopes, current probes, and differential tools. The initial phase emphasizes establishing
a stable baseline by checking reference voltages, verifying continuity, and confirming ground integrity. These
foundational steps ensure that subsequent measurements reflect true system behavior rather than secondary
anomalies introduced by poor probing technique or unstable electrical conditions. During the measurement
routine for continuity and resistance tracing on multi‑segment harnesses, technicians analyze dynamic behavior
by applying controlled load, capturing waveform transitions, and monitoring subsystem responses. This includes
observing timing shifts, duty‑cycle changes, ripple patterns, or communication irregularities. By replicating
real operating conditions—thermal changes, vibration, or electrical demand spikes—technicians gain insight
into how the system behaves under stress. This approach allows deeper interpretation of patterns that static
readings cannot reveal. After completing the procedure for continuity and resistance tracing on multi‑segment
harnesses, results are documented with precise measurement values, waveform captures, and interpretation
notes. Technicians compare the observed data with known good references to determine whether performance falls
within acceptable thresholds. The collected information not only confirms system health but also builds
long‑term diagnostic proficiency by helping technicians recognize early indicators of failure and understand
how small variations can evolve into larger issues.

Figure 39
Hands-On Lab #2 - Measurement Practice Page 42

Hands‑On Lab #2 for Cub Cadet 1862 For Sale Wiring Diagram 2025 Wiring Diagram focuses on load‑induced voltage‑drop mapping through chassis
grounds. This practical exercise expands technician measurement skills by emphasizing accurate probing
technique, stable reference validation, and controlled test‑environment setup. Establishing baseline
readings—such as reference ground, regulated voltage output, and static waveform characteristics—is essential
before any dynamic testing occurs. These foundational checks prevent misinterpretation caused by poor tool
placement, floating grounds, or unstable measurement conditions. During the procedure for load‑induced
voltage‑drop mapping through chassis grounds, technicians simulate operating conditions using thermal stress,
vibration input, and staged subsystem loading. Dynamic measurements reveal timing inconsistencies, amplitude
drift, duty‑cycle changes, communication irregularities, or nonlinear sensor behavior. Oscilloscopes, current
probes, and differential meters are used to capture high‑resolution waveform data, enabling technicians to
identify subtle deviations that static multimeter readings cannot detect. Emphasis is placed on interpreting
waveform shape, slope, ripple components, and synchronization accuracy across interacting modules. After
completing the measurement routine for load‑induced voltage‑drop mapping through chassis grounds, technicians
document quantitative findings—including waveform captures, voltage ranges, timing intervals, and noise
signatures. The recorded results are compared to known‑good references to determine subsystem health and
detect early‑stage degradation. This structured approach not only builds diagnostic proficiency but also
enhances a technician’s ability to predict emerging faults before they manifest as critical failures,
strengthening long‑term reliability of the entire system.

Figure 40
Hands-On Lab #3 - Measurement Practice Page 43

Hands‑On Lab #3 for Cub Cadet 1862 For Sale Wiring Diagram 2025 Wiring Diagram focuses on Ethernet link timing evaluation under diagnostic load.
This exercise trains technicians to establish accurate baseline measurements before introducing dynamic
stress. Initial steps include validating reference grounds, confirming supply‑rail stability, and ensuring
probing accuracy. These fundamentals prevent distorted readings and help ensure that waveform captures or
voltage measurements reflect true electrical behavior rather than artifacts caused by improper setup or tool
noise. During the diagnostic routine for Ethernet link timing evaluation under diagnostic load, technicians
apply controlled environmental adjustments such as thermal cycling, vibration, electrical loading, and
communication traffic modulation. These dynamic inputs help expose timing drift, ripple growth, duty‑cycle
deviations, analog‑signal distortion, or module synchronization errors. Oscilloscopes, clamp meters, and
differential probes are used extensively to capture transitional data that cannot be observed with static
measurements alone. After completing the measurement sequence for Ethernet link timing evaluation under
diagnostic load, technicians document waveform characteristics, voltage ranges, current behavior,
communication timing variations, and noise patterns. Comparison with known‑good datasets allows early
detection of performance anomalies and marginal conditions. This structured measurement methodology
strengthens diagnostic confidence and enables technicians to identify subtle degradation before it becomes a
critical operational failure.

Figure 41
Hands-On Lab #4 - Measurement Practice Page 44

Hands‑On Lab #4 for Cub Cadet 1862 For Sale Wiring Diagram 2025 Wiring Diagram focuses on vehicle‑chassis multi‑point ground potential
comparison. This laboratory exercise builds on prior modules by emphasizing deeper measurement accuracy,
environment control, and test‑condition replication. Technicians begin by validating stable reference grounds,
confirming regulated supply integrity, and preparing measurement tools such as oscilloscopes, current probes,
and high‑bandwidth differential probes. Establishing clean baselines ensures that subsequent waveform analysis
is meaningful and not influenced by tool noise or ground drift. During the measurement procedure for
vehicle‑chassis multi‑point ground potential comparison, technicians introduce dynamic variations including
staged electrical loading, thermal cycling, vibration input, or communication‑bus saturation. These conditions
reveal real‑time behaviors such as timing drift, amplitude instability, duty‑cycle deviation, ripple
formation, or synchronization loss between interacting modules. High‑resolution waveform capture enables
technicians to observe subtle waveform features—slew rate, edge deformation, overshoot, undershoot, noise
bursts, and harmonic artifacts. Upon completing the assessment for vehicle‑chassis multi‑point ground
potential comparison, all findings are documented with waveform snapshots, quantitative measurements, and
diagnostic interpretations. Comparing collected data with verified reference signatures helps identify
early‑stage degradation, marginal component performance, and hidden instability trends. This rigorous
measurement framework strengthens diagnostic precision and ensures that technicians can detect complex
electrical issues long before they evolve into system‑wide failures.

Figure 42
Hands-On Lab #5 - Measurement Practice Page 45

Hands‑On Lab #5 for Cub Cadet 1862 For Sale Wiring Diagram 2025 Wiring Diagram focuses on ECU power‑rail ripple source isolation using FFT
techniques. The session begins with establishing stable measurement baselines by validating grounding
integrity, confirming supply‑rail stability, and ensuring probe calibration. These steps prevent erroneous
readings and ensure that all waveform captures accurately reflect subsystem behavior. High‑accuracy tools such
as oscilloscopes, clamp meters, and differential probes are prepared to avoid ground‑loop artifacts or
measurement noise. During the procedure for ECU power‑rail ripple source isolation using FFT techniques,
technicians introduce dynamic test conditions such as controlled load spikes, thermal cycling, vibration, and
communication saturation. These deliberate stresses expose real‑time effects like timing jitter, duty‑cycle
deformation, signal‑edge distortion, ripple growth, and cross‑module synchronization drift. High‑resolution
waveform captures allow technicians to identify anomalies that static tests cannot reveal, such as harmonic
noise, high‑frequency interference, or momentary dropouts in communication signals. After completing all
measurements for ECU power‑rail ripple source isolation using FFT techniques, technicians document voltage
ranges, timing intervals, waveform shapes, noise signatures, and current‑draw curves. These results are
compared against known‑good references to identify early‑stage degradation or marginal component behavior.
Through this structured measurement framework, technicians strengthen diagnostic accuracy and develop
long‑term proficiency in detecting subtle trends that could lead to future system failures.

Figure 43
Hands-On Lab #6 - Measurement Practice Page 46

Hands‑On Lab #6 for Cub Cadet 1862 For Sale Wiring Diagram 2025 Wiring Diagram focuses on relay contact bounce characterization across thermal
cycles. This advanced laboratory module strengthens technician capability in capturing high‑accuracy
diagnostic measurements. The session begins with baseline validation of ground reference integrity, regulated
supply behavior, and probe calibration. Ensuring noise‑free, stable baselines prevents waveform distortion and
guarantees that all readings reflect genuine subsystem behavior rather than tool‑induced artifacts or
grounding errors. Technicians then apply controlled environmental modulation such as thermal shocks,
vibration exposure, staged load cycling, and communication traffic saturation. These dynamic conditions reveal
subtle faults including timing jitter, duty‑cycle deformation, amplitude fluctuation, edge‑rate distortion,
harmonic buildup, ripple amplification, and module synchronization drift. High‑bandwidth oscilloscopes,
differential probes, and current clamps are used to capture transient behaviors invisible to static multimeter
measurements. Following completion of the measurement routine for relay contact bounce characterization
across thermal cycles, technicians document waveform shapes, voltage windows, timing offsets, noise
signatures, and current patterns. Results are compared against validated reference datasets to detect
early‑stage degradation or marginal component behavior. By mastering this structured diagnostic framework,
technicians build long‑term proficiency and can identify complex electrical instabilities before they lead to
full system failure.

Figure 44
Checklist & Form #1 - Quality Verification Page 47

Checklist & Form #1 for Cub Cadet 1862 For Sale Wiring Diagram 2025 Wiring Diagram focuses on sensor calibration confirmation form for accuracy
assurance. This verification document provides a structured method for ensuring electrical and electronic
subsystems meet required performance standards. Technicians begin by confirming baseline conditions such as
stable reference grounds, regulated voltage supplies, and proper connector engagement. Establishing these
baselines prevents false readings and ensures all subsequent measurements accurately reflect system behavior.
During completion of this form for sensor calibration confirmation form for accuracy assurance, technicians
evaluate subsystem performance under both static and dynamic conditions. This includes validating signal
integrity, monitoring voltage or current drift, assessing noise susceptibility, and confirming communication
stability across modules. Checkpoints guide technicians through critical inspection areas—sensor accuracy,
actuator responsiveness, bus timing, harness quality, and module synchronization—ensuring each element is
validated thoroughly using industry‑standard measurement practices. After filling out the checklist for
sensor calibration confirmation form for accuracy assurance, all results are documented, interpreted, and
compared against known‑good reference values. This structured documentation supports long‑term reliability
tracking, facilitates early detection of emerging issues, and strengthens overall system quality. The
completed form becomes part of the quality‑assurance record, ensuring compliance with technical standards and
providing traceability for future diagnostics.

Figure 45
Checklist & Form #2 - Quality Verification Page 48

Checklist & Form #2 for Cub Cadet 1862 For Sale Wiring Diagram 2025 Wiring Diagram focuses on module initialization/wake‑sequence verification
form. This structured verification tool guides technicians through a comprehensive evaluation of electrical
system readiness. The process begins by validating baseline electrical conditions such as stable ground
references, regulated supply integrity, and secure connector engagement. Establishing these fundamentals
ensures that all subsequent diagnostic readings reflect true subsystem behavior rather than interference from
setup or tooling issues. While completing this form for module initialization/wake‑sequence verification
form, technicians examine subsystem performance across both static and dynamic conditions. Evaluation tasks
include verifying signal consistency, assessing noise susceptibility, monitoring thermal drift effects,
checking communication timing accuracy, and confirming actuator responsiveness. Each checkpoint guides the
technician through critical areas that contribute to overall system reliability, helping ensure that
performance remains within specification even during operational stress. After documenting all required
fields for module initialization/wake‑sequence verification form, technicians interpret recorded measurements
and compare them against validated reference datasets. This documentation provides traceability, supports
early detection of marginal conditions, and strengthens long‑term quality control. The completed checklist
forms part of the official audit trail and contributes directly to maintaining electrical‑system reliability
across the vehicle platform.

Figure 46
Checklist & Form #3 - Quality Verification Page 49

Checklist & Form #3 for Cub Cadet 1862 For Sale Wiring Diagram 2025 Wiring Diagram covers CAN/LIN frame‑timing stability report. This
verification document ensures that every subsystem meets electrical and operational requirements before final
approval. Technicians begin by validating fundamental conditions such as regulated supply voltage, stable
ground references, and secure connector seating. These baseline checks eliminate misleading readings and
ensure that all subsequent measurements represent true subsystem behavior without tool‑induced artifacts.
While completing this form for CAN/LIN frame‑timing stability report, technicians review subsystem behavior
under multiple operating conditions. This includes monitoring thermal drift, verifying signal‑integrity
consistency, checking module synchronization, assessing noise susceptibility, and confirming actuator
responsiveness. Structured checkpoints guide technicians through critical categories such as communication
timing, harness integrity, analog‑signal quality, and digital logic performance to ensure comprehensive
verification. After documenting all required values for CAN/LIN frame‑timing stability report, technicians
compare collected data with validated reference datasets. This ensures compliance with design tolerances and
facilitates early detection of marginal or unstable behavior. The completed form becomes part of the permanent
quality‑assurance record, supporting traceability, long‑term reliability monitoring, and efficient future
diagnostics.

Figure 47
Checklist & Form #4 - Quality Verification Page 50

Checklist & Form #4 for Cub Cadet 1862 For Sale Wiring Diagram 2025 Wiring Diagram documents final subsystem voltage‑integrity validation
checklist. This final‑stage verification tool ensures that all electrical subsystems meet operational,
structural, and diagnostic requirements prior to release. Technicians begin by confirming essential baseline
conditions such as reference‑ground accuracy, stabilized supply rails, connector engagement integrity, and
sensor readiness. Proper baseline validation eliminates misleading measurements and guarantees that subsequent
inspection results reflect authentic subsystem behavior. While completing this verification form for final
subsystem voltage‑integrity validation checklist, technicians evaluate subsystem stability under controlled
stress conditions. This includes monitoring thermal drift, confirming actuator consistency, validating signal
integrity, assessing network‑timing alignment, verifying resistance and continuity thresholds, and checking
noise immunity levels across sensitive analog and digital pathways. Each checklist point is structured to
guide the technician through areas that directly influence long‑term reliability and diagnostic
predictability. After completing the form for final subsystem voltage‑integrity validation checklist,
technicians document measurement results, compare them with approved reference profiles, and certify subsystem
compliance. This documentation provides traceability, aids in trend analysis, and ensures adherence to
quality‑assurance standards. The completed form becomes part of the permanent electrical validation record,
supporting reliable operation throughout the vehicle’s lifecycle.

Figure 48