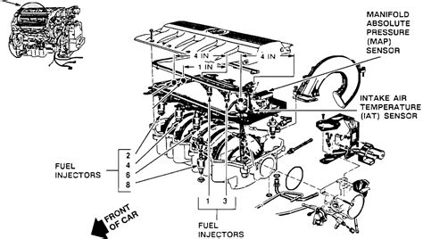
2005 Cadillac Sts 4 6l V8 Oem Rear Seat Fuse Boxes Used Wiring Diagram


HTTP://MYDIAGRAM.ONLINE
Revision 3.5 (06/2005)
© 2005 HTTP://MYDIAGRAM.ONLINE. All Rights Reserved.































































































































Download Full Diagram Via this App!!!!

English product guide

Title : 2005 Cadillac Sts 4 6l V8 Oem Rear Seat Fuse Boxes Used Wiring Diagram
Category : Wiring Diagram
Format : PDF

Get Diagram Now!

DOWNLOAD NOW