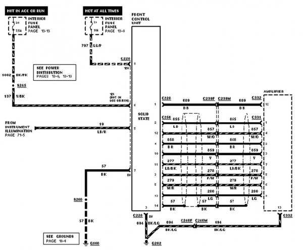
2001 Explorer Radio Wiring Diagram


HTTP://MYDIAGRAM.ONLINE
Revision 3.9 (01/2012)
© 2012 HTTP://MYDIAGRAM.ONLINE. All Rights Reserved.































































































































Download Full Diagram Via this App!!!!

English product guide

Title : 2001 Explorer Radio Wiring Diagram
Category : Wiring Diagram
Format : PDF

Get Diagram Now!

DOWNLOAD NOW