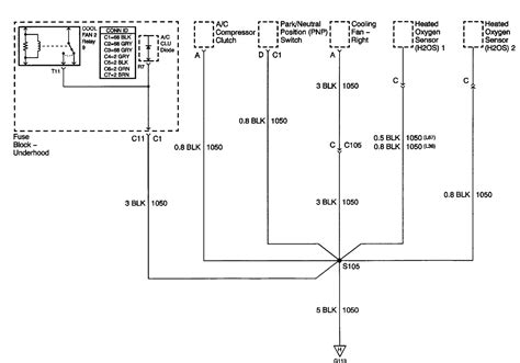
03 Buick Century Wiring Diagram


HTTP://MYDIAGRAM.ONLINE
Revision 3.7 (04/2008)
© 2008 HTTP://MYDIAGRAM.ONLINE. All Rights Reserved.





























































































































Download Full Diagram Via this App!!!!

English product guide

Title : 03 Buick Century Wiring Diagram
Category : Wiring Diagram
Format : PDF

Get Diagram Now!

DOWNLOAD NOW